Alarm Silence Relay Circuit

Đăng nhận xét

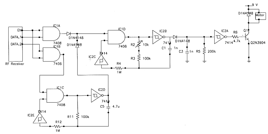
Alarm Silence Relay Circuit. That holds the relay on after the silence button pressed. All you have to do is position this circuit in front of the locker or beneath the mat, so that if an unfamiliar person walks over the switch, the circuit will activate and an alarm will ring. The shadow of an intruder passing few meters nearby the circuit is enough to trigger the alarm.

car alarm circuit Page 2 Automotive Circuits Next.gr
car alarm circuit Page 2 Automotive Circuits Next.gr from www.next.gr

These two work together to create the desired detection. In this video i am going to show how to make simple security alarm circuit using 12v relaysecurity alarm system component required:1) 12v relay2) 12v led o. 00:20 (20 seconds for testing purpose) add tip. This electric circuit design comprises two major parts, which are the sensor and trigger. In the circuit diagram the oscillator frequency is. The circuit consists of a 555 tone generator circuit which is an astable multivibrator. This simple alarm timer circuit is made with 4060 which has an integrated oscillator with a good stability with a relatively wide frequency range. When pressed, the e1 lamp comes on and a siren sound of b1 is heard. A vehicle alarm control circuit, cab car and passenger train, include:

It Is An Electrically Actuated.


All you have to do is position this circuit in front of the locker or beneath the mat, so that if an unfamiliar person walks over the switch, the circuit will activate and an alarm will ring. Only the basic design is provided in the circuit. You are better using cmos. In this video i am going to show how to make simple security alarm circuit using 12v relaysecurity alarm system component required:1) 12v relay2) 12v led o. The diagram for such an arrangement is. The shadow of an intruder passing few meters nearby the circuit is enough to trigger the alarm. Its continuous time is about 1 minute.

The Ac Fail Alarm Circuit:


This simple alarm timer circuit is made with 4060 which has an integrated oscillator with a good stability with a relatively wide frequency range. A silencing branch, a warning lamp branch and a warning bell branch; With the circuit drawn as shown, your alarm will sound with any door opened or the key switch opened, it will stop buzzing when all doors are closed. Relays have two terminals used to power its electromagnetic coil. Circuit for this mains supply failure alarm is simple. A panic alarm circuit is used to send an emergency signal immediately to the people in nearby location to call for help or to alert them. Ic4 is an alarm delay circuit, formed by r14 and c6.

The Alarm Silence Relay And The Alarm Panic Relay Are Used To Create External Buttons For The Manager To Use To Trigger A Panic Alarm Or To Silence An Existing Alarm.


The circuit consists of a 555 tone generator circuit which is an astable multivibrator. This is a dc control circuit that contains the following components in its simplest of form: This electric circuit design comprises two major parts, which are the sensor and trigger. Firstly a capacitor of 2000µf is connected. Put the buzzer test c and nc contact across the. High and low voltage cutoff with delay and alarm principle: One more circuit should be shown because in real life, the same power supply probably would not operate the alarm loop as well as the warning circuit.

The Alarm Circuit Should Set A Load (Relay) On And Trigger An Audible Alarm When The Mains Power Is Off.


That holds the relay on after the silence button pressed. S1 is the alarm contact, s2 is the silence pushbutton, and the relay k1 keeps the load (buzzer) switched off until s1 opens. Out of which we have used 4 switches are used for time select. When describing the relay types, it will be mentioned about the operation. Select the virtual relay here that will trigger each of these.

Related Posts

Đăng nhận xét