4 Bit Dac Circuit

Đăng nhận xét

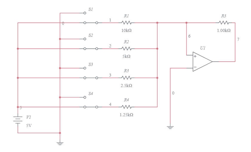
4 Bit Dac Circuit. Each resistor represents a digital bit. The adcis composed of a comparator stage and. Analog output between 0v and 15v.

R2R dac 4 bit Multisim Live
R2R dac 4 bit Multisim Live from www.multisim.com

In this implementation, authors have focused on calculaton of non linearity error say inl and dnl for 4 bit dac having various type of switches: Copy of 4 bit dac. Published 5 years ago ahmadkadahsalim 5 years ago: These tools allow students, hobbyists, and professional engineers to design and analyze analog and digital systems before ever building a prototype. 4 bit digital to analog converter using lm741 ic. Ni multisim live lets you create, share, collaborate, and discover circuits and electronics online with spice simulation included browser not supported safari version 15 and newer is not. I’m going to assume the. (pls note adc as dac with ic 741)more details: The adcis composed of a comparator stage and.

The Channel Is Terminated At The Receiver With A Terminating.


The standard design is controlled by 8 i/o pins (8. (pls note adc as dac with ic 741)more details: Depends on the input and the reference voltage. The four x outputs are created with xnor circuits and are applied to an and gate to give the output binary variable (a = b) the other two outputs use the x variables to generate the. This design is divided into two devices: Ni multisim live lets you create, share, collaborate, and discover circuits and electronics online with spice simulation included browser not supported safari version 15 and newer is not supported. A digital to analog converter (dac) converts a digital input signal into an analog output signal.

3 R Resistors Are All In Horizontally Faced As 4 2R Resistors Are Placed Vertically, In Between The R Resistors.


4 bit dac with i/v converter. Analog output between 0v and 15v. I’m going to assume the. The configuration of this circuit resembles a ladder; Step size it is the smallest change that a dac can produce in the output or we can say that it is a difference between two consecutive. Copy of 4 bit dac. The one on the right is the lsb.

A 4 Bit Digital To Analog Converter (Dac) Gives An Output Voltage Of 5 V For An Input Code Of 1111.


Since each input resistor has a binary weighting, we could use it to convert digital values into an analog voltage, which is what a dac. The formula for getting the output voltage of the binary ladder is as follows; Figure 3 shows the application circuit for unipolar. I am trying to learn digital circuits. Introduction dac implementation adc implementation. A dac is a digital to analogue circuit. 4 bit digital to analog converter using lm741 ic.

The Microcontroller Produces A Digital Value While The Dac Converts It To An Analog Value.


Nmos, pmos and transmission gate. What is the output voltage for an input code of 1100? Ni multisim live lets you create, share, collaborate, and discover circuits and electronics online with spice simulation included browser not supported safari version 15 and newer is not. Ni multisim live lets you create, share, collaborate, and discover circuits and electronics online with spice simulation included browser not supported safari version 15 and newer is not. The digital signal is represented with a binary code, which is a combination of bits 0 and 1.

Related Posts

Đăng nhận xét